TerugHomeTagsmotoronderdeel loncinChokehendel voor DOLMAR, MAKITA PC6114, PC6112, EK6100 op Bandenzaag - Motorslijpers - Doorslijpers
Art: GR341039
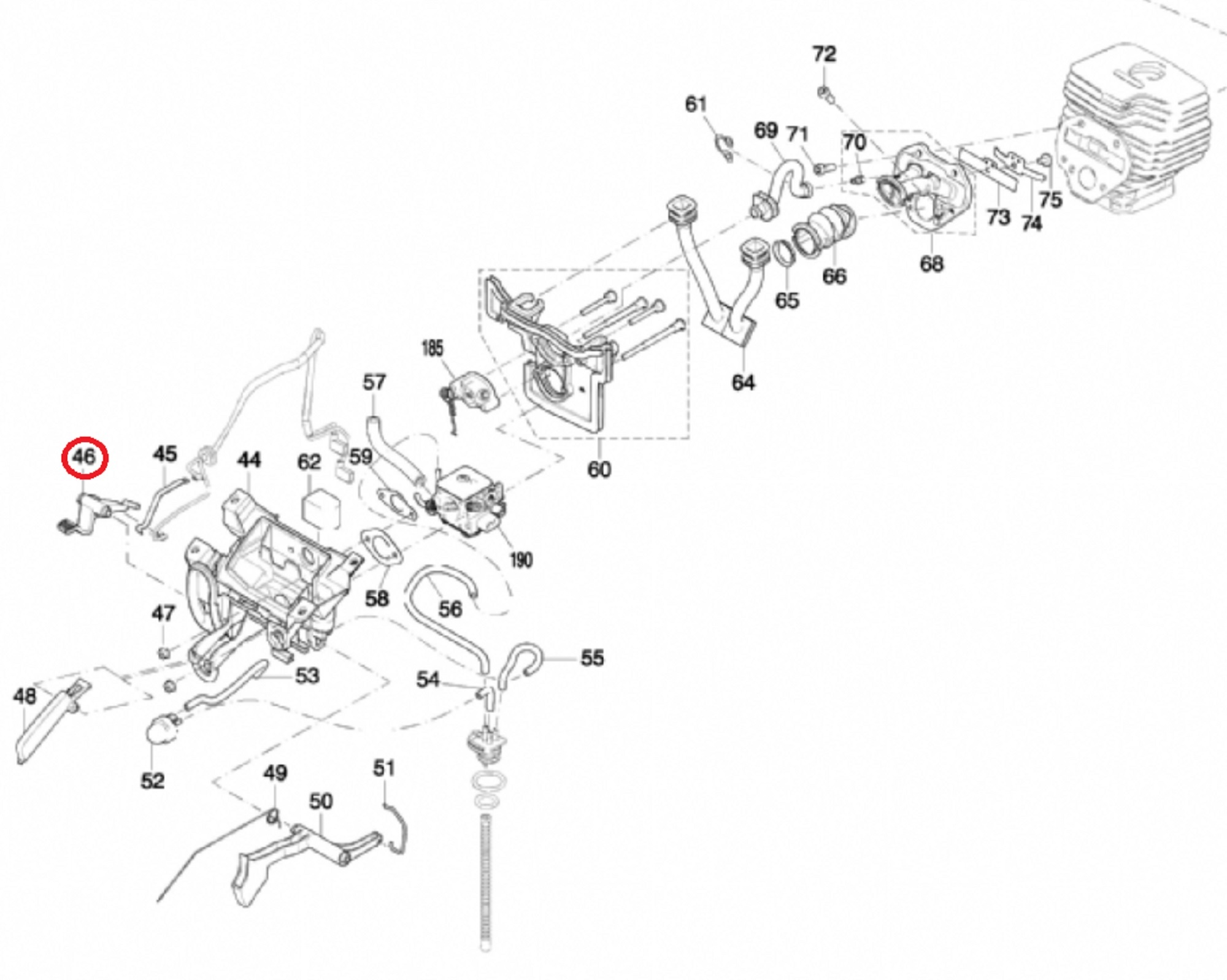
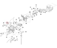
Chokehendel voor DOLMAR, MAKITA PC6114, PC6112, EK6100 op Bandenzaag - Motorslijpers - Doorslijpers
Betrouwbare levering - Binnen 3-5 werkdagen bij u thuis geleverd
Groot assortiment onderdelen - Voor grasmaaiers, bosmaaiers, kettingzagen en meer buitenmachines
Persoonlijk advies van specialisten -  Twijfelt u? Wij helpen u met het juiste onderdeel voor uw machine
Veilig en eenvoudig betalen - iDEAL, PayPal, Bankcontact, KBC, creditcard en meer veilige betaalopties
BeschrijvingLees meerLees minder
Chokehendel voor DOLMAR, MAKITA op Bandenzaag - Motorslijpers - Doorslijpers
Chokehendel onder andere voor 
DOLMAR, MAKITA - PC6114, PC6112, EK6100 Doorslijpers
      Reviews
      
0/5
                  Geen reviews gevonden
              
Je beoordeling toevoegenHeeft u hulp nodig?













