Betrouwbare levering -
Binnen 3-5 werkdagen bij u thuis geleverd
Groot assortiment onderdelen -
Voor grasmaaiers, bosmaaiers, kettingzagen en meer buitenmachines
Persoonlijk advies van specialisten -
Twijfelt u? Wij helpen u met het juiste onderdeel voor uw machine
Veilig en eenvoudig betalen -
iDEAL, PayPal, Bankcontact, KBC, creditcard en meer veilige betaalopties
TerugHomeTagsMaaimessen voor Grasmaaiers - Zitmaaiers - Frontmaaiers van Stiga - Castelgarden - Husqvarna - Honda - Alko - MTD - Wolf - Jonsered - JohnDeere - Wizard - en Toro.Gaskabel Castelgarden XC37 - XC38 - XC38P - XC380 - XC39 - XC41, Stiga SP380 - SP380Q - SP382, Alpina P371 - A380 - A380Q - P382S - P391 - P411, Mountfield MC363 - MC3814 - MC3816 - MC382, Motorzaag, Kettingzaag, Gas Kabel, Castel Garden
Art: T301630
Gaskabel Castelgarden XC37 - XC38 - XC38P - XC380 - XC39 - XC41, Stiga SP380 - SP380Q - SP382, Alpina P371 - A380 - A380Q - P382S - P391 - P411, Mountfield MC363 - MC3814 - MC3816 - MC382, Motorzaag, Kettingzaag, Gas Kabel, Castel Garden
Betrouwbare levering - Binnen 3-5 werkdagen bij u thuis geleverd
Groot assortiment onderdelen - Voor grasmaaiers, bosmaaiers, kettingzagen en meer buitenmachines
Persoonlijk advies van specialisten - Twijfelt u? Wij helpen u met het juiste onderdeel voor uw machine
Veilig en eenvoudig betalen - iDEAL, PayPal, Bankcontact, KBC, creditcard en meer veilige betaalopties
BeschrijvingLees meerLees minder
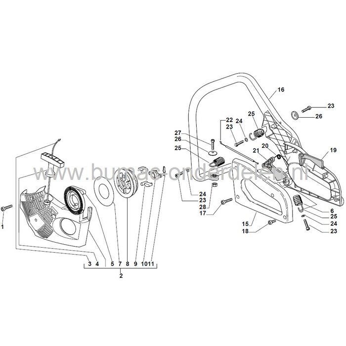
Gaskabel voor Stiga - Mountfield - Alpina - Castelgarden
Motorzaag - Kettingzaag
Lengte Buitenkabel 95 mm
Lengte binnenkabel 135 mm
- Nr 22 op Afbeelding 2
Gaskabel voor onder andere onderstaande Kettingzagen
Castelgarden XC37 - XC38 - XC38P - XC380 - XC39 - XC41
Mountfield MC363 - MC3814 - MC3816 - MC382
Alpina P371 - A380 - A380Q - P382S - P391 - P411
Stiga SP380 - SP380Q - SP382
Reviews
0/5
Geen reviews gevonden
Je beoordeling toevoegenHeeft u hulp nodig?















