Groot assortiment onderdelen
Voor grasmaaiers, bosmaaiers, kettingzagen en andere buitenmachines
TerugHomeTagshonda buitenband onderdeelInlaat Pakking STIGA - CASTELGARDEN - MOUNTFIELD - ALPINA Kettingzaag - Motorzaag, XC42P - SP402 - SP422 - SP442 - MC4016 - MC4018
Art: GR601543
Inlaat Pakking STIGA - CASTELGARDEN - MOUNTFIELD - ALPINA Kettingzaag - Motorzaag, XC42P - SP402 - SP422 - SP442 - MC4016 - MC4018
Betrouwbare levering Meestal binnen 3–5 werkdagen geleverd
Groot assortiment onderdelen Voor grasmaaiers, bosmaaiers, kettingzagen en andere buitenmachines
Persoonlijk advies van specialisten Twijfelt u? Wij helpen u met het juiste onderdeel voor uw machine
Veilig en eenvoudig betalen iDEAL, PayPal, Bancontact, KBC, creditcard en meer
Beschrijving
Inlaat Pakking voor STIGA - CASTELGARDEN - MOUNTFIELD - ALPINA
Kettingzaag - Motorzaag
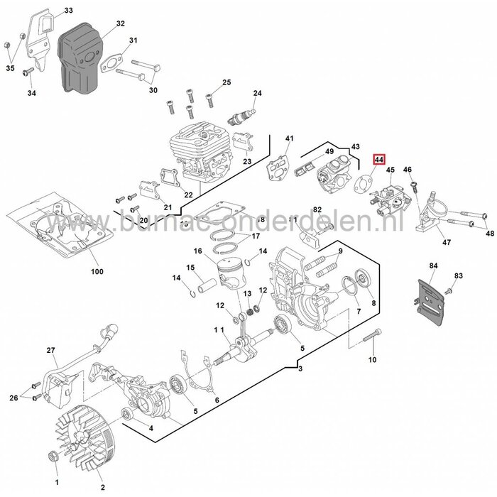
Nr 44 op Afbeelding 2
Onder andere Geschikt voor onderstaande Modellen Kettingzagen
CASTELGARDEN XC42P
STIGA SP402 - SP422 - SP442
MOUNTFIELD MC4016 - MC4018
Lees meerLees minderKettingzaag - Motorzaag
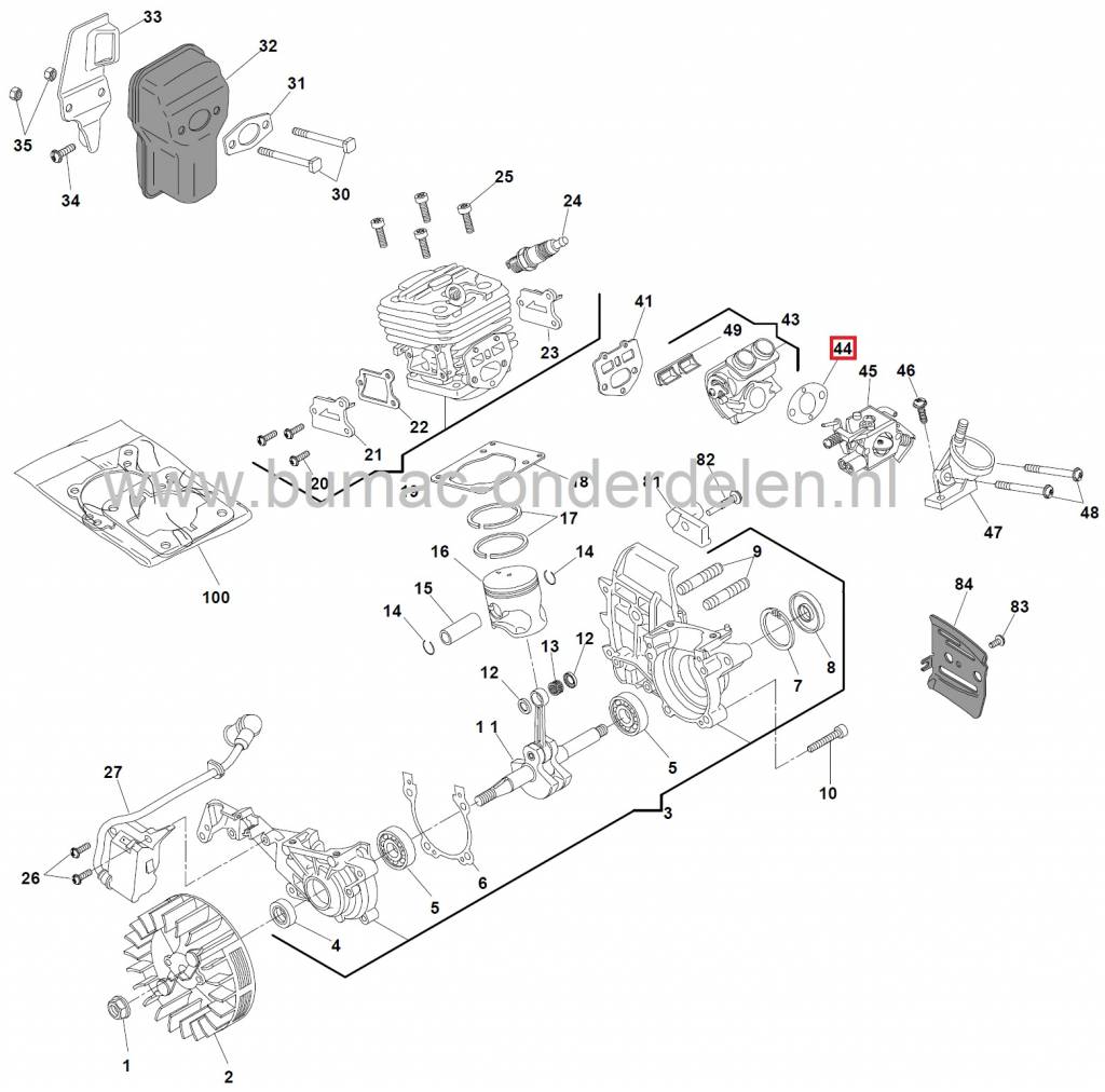
Nr 44 op Afbeelding 2
Onder andere Geschikt voor onderstaande Modellen Kettingzagen
CASTELGARDEN XC42P
STIGA SP402 - SP422 - SP442
MOUNTFIELD MC4016 - MC4018
Reviews
0/5
Geen reviews gevonden
Je beoordeling toevoegenHeeft u hulp nodig?















