TerugHomeTagsgrasmaaier tankdopMaaidek voor MTD, White, Cub Cadet, YardMan, Wolf, Bolens Zitmaaier, Tuintrekker Maaidek 96 Cm Zijuitworp voor Kaal Maaihuis 38 Inch
Art: GV210037
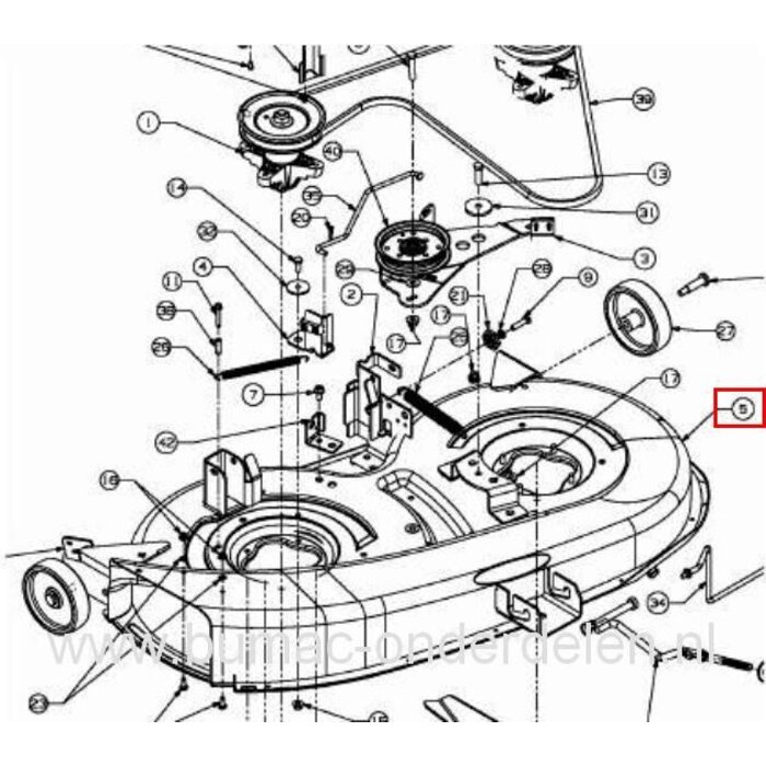
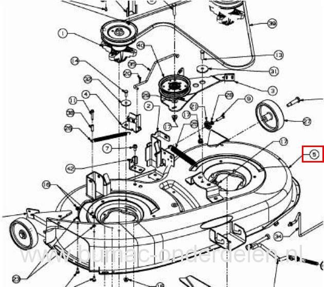
Maaidek voor MTD, White, Cub Cadet, YardMan, Wolf, Bolens Zitmaaier, Tuintrekker Maaidek 96 Cm Zijuitworp voor Kaal Maaihuis 38 Inch
Betrouwbare levering - Binnen 3-5 werkdagen bij u thuis geleverd
Groot assortiment onderdelen - Voor grasmaaiers, bosmaaiers, kettingzagen en meer buitenmachines
Persoonlijk advies van specialisten -  Twijfelt u? Wij helpen u met het juiste onderdeel voor uw machine
Veilig en eenvoudig betalen - iDEAL, PayPal, Bankcontact, KBC, creditcard en meer veilige betaalopties
BeschrijvingLees meerLees minder
Maaidek voor MTD, White, Cub Cadet, YardMan, Wolf, Bolens Zitmaaier, Tuintrekker 
Maaidek 96 Cm - 38 Inch Zijuitworp 
Maaidek komt onder andere voor op Zitmaaier Modellen 
 
MTD 12/96T, RS125/96, 135/96T en AF6150 Zitmaaiers 
Efco Formula 97
      Reviews
      
0/5
                  Geen reviews gevonden
              
Je beoordeling toevoegenHeeft u hulp nodig?



















