SP380 - SP382 - SP402 - SP422 - SP442 - SP460 - SP405 - SP405Q - SP510 - SP522 - SP472 - SPR350 - XC40P - XC238 - XC380 - XC3700 - XC38 - XC42P - XC46 - XC48P - XC52 - MC3616 - MC438 - MCSP40 - MC3814 - MC3816 - MC4016 - MC4018 - MC5020 - MC4818 - A3700
Stopschakelaar voor Castelgarden - Stiga - Mountfield - Alpina Kettingzagen
SP380, SP382, SP402, SP422, SP442, SP460, SP405Q, SP510, SP522, SP472, SPR350, XC40P, XC238, XC380, XC3700, XC38, XC42P, XC46, XC48P, XC52, MC3616, MC438, MCSP40, MC3814, MC3816, MC4016, MC4018, MC5020, MC4818, A3700, A4000
- 2 Aansluitingen / Polig
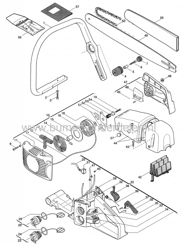
- Nr 21 op Afbeelding 3
Stop knop onder andere voor Modellen
Stiga: SP 380 - SP 380 Q - SP 382 - SP 402 - SP 405 - SP 405 Q - SP 422 - SP 442 -
SP 460 - SP 510 - SPR 350 - SP 472 - SP 522
Castelgarden: XC 37 - XC 38 - XC 38 P - XC 380 - XC 39 - XC 40 P - XC 41 - XC 42 P - XC 44 P -
XC 46 - XC 47 P - XC 48 P - XC 52 - XC 52 P - XC 238 - XC 3700
Mountfield: MC 363 - MC 3616 - MC 3814 - MC 3816 - MC 382 - MC 4016 - MC 4018 - MC 438 -
MC 443 - MC 4716 - MC 4718 - MC 4818 - MC 5020 - MCSP 40
Alpina: P 371 - P 382 S - P 391 - P 402 S - P 411 - P 422 S - P 442 S - P 460 - P 472 -
P 482 S - P 522 S - A 3700 - A 380 - A 380 Q - A 4000
Stihl: FS45

















