TerugHomeTagsBIG kindertractorStuurstang voor HUSQVARNA, JONSERED, PARTNER, MCCULLOCH, ZENOAH R213 C, R214 T, R214 T AWD, R214 TC, R215 TX, R216, R216 AWD, R216 T AWD, R216TAWD, R318, R320 AWD, FR2213 MA, FR2216 MA, FR2216 MA 4x4, M125, M125-94FH, FMZ1300, FMZ1400T op ZItmaaiers - Fro
Art: GR341161
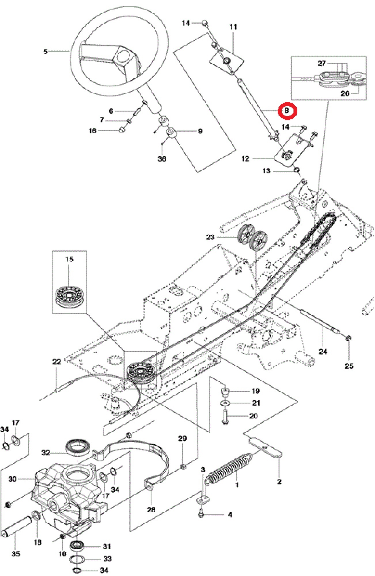
Stuurstang voor HUSQVARNA, JONSERED, PARTNER, MCCULLOCH, ZENOAH R213 C, R214 T, R214 T AWD, R214 TC, R215 TX, R216, R216 AWD, R216 T AWD, R216TAWD, R318, R320 AWD, FR2213 MA, FR2216 MA, FR2216 MA 4x4, M125, M125-94FH, FMZ1300, FMZ1400T op ZItmaaiers - Fro
Betrouwbare levering - Binnen 3-5 werkdagen bij u thuis geleverd
Groot assortiment onderdelen - Voor grasmaaiers, bosmaaiers, kettingzagen en meer buitenmachines
Persoonlijk advies van specialisten -  Twijfelt u? Wij helpen u met het juiste onderdeel voor uw machine
Veilig en eenvoudig betalen - iDEAL, PayPal, Bankcontact, KBC, creditcard en meer veilige betaalopties
BeschrijvingLees meerLees minder
Stuurstang voor HUSQVARNA, JONSERED, PARTNER, MCCULLOCH, ZENOAH op ZItmaaiers - Frontmaaiers - Trekkers - Tuintrekkers 
Stuurstang onder andere voor HUSQVARNA, JONSERED, PARTNER, MCCULLOCH, ZENOAH
 R213 C, R214 T, R214 T AWD, R214 TC, R215 TX, R216, R216 AWD, R216 T AWD, R216TAWD, R318, R320 AWD, FR2213 MA, FR2216 MA, FR2216 MA 4x4, M125, M125-94FH, FMZ1300, FMZ1400T Zitmaaiers
      Reviews
      
0/5
                  Geen reviews gevonden
              
Je beoordeling toevoegenHeeft u hulp nodig?













