V-snaar voor Aandrijving Voor Stiga, Castelgarden, Mountfield & Alpina Zitmaaiers | Servicecode 9585-0139-01
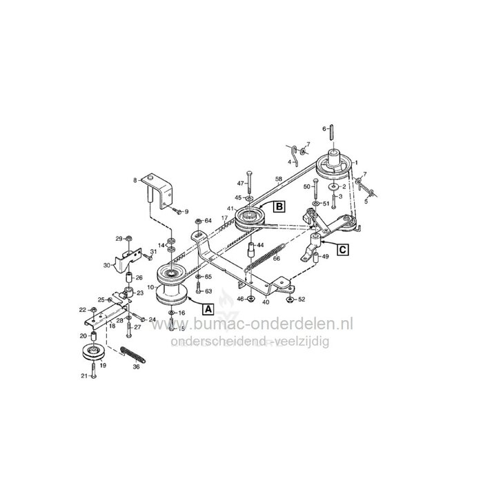
Deze V-snaar voor aandrijving is een passend onderdeel voor diverse zitmaaiers en frontmaaiers van onder andere Stiga, Castelgarden, Alpina en Mountfield. Specifiek ontworpen voor modellen met een maaibreedte van 85 cm, zoals de Stiga Villa 17 HST (bouwjaar 2007 en nieuwer). De riem zorgt voor een betrouwbare en efficiënte krachtoverdracht van de motor naar het maaidek of de wielas, afhankelijk van het model.
De V-snaar met servicecode 9585-0139-01 is vervaardigd van versterkt rubber met textielinlagen. Dit zorgt voor extra trekkracht, minimale rek en een hoge mate van slijtvastheid. Dankzij de OEM-specificaties sluit deze snaar naadloos aan op het originele systeem en garandeert hij een lange levensduur bij intensief gebruik.
Deze riem wordt veel toegepast in machines met een frontmaaierconstructie met mulchfunctie. Hij is ook geschikt voor andere gelijkwaardige machines van GGP Group, het moederbedrijf achter Stiga, Castelgarden, Alpina en Mountfield.
De riem wordt veelal gebruikt bij:
- Stiga Villa 17 HST (vanaf 2007) 
- Castelgarden XF modellen 
- Alpina AT3 zitmaaiers 
- Mountfield 1430M/1530M series 
⚙️ Technische specificaties:
✔️ Type: V-snaar voor aandrijving (maaidek / wielaandrijving)
✔️ Breedte: 13 mm (AVP13)
✔️ Lengte: 1342 mm
✔️ Constructie: Versterkt rubber / textiel
✔️ Toepassing: Frontzitmaaiers, aandrijving van maaidek of achteras
✔️ V-snaar voor aandrijving van zitmaaiers met frontmaaidek
✔️ Geschikt voor Stiga Villa 17 HST vanaf bouwjaar 2007
✔️ Past ook op Castelgarden, Alpina en Mountfield modellen
✔️ Voor machines met 85 cm mulchmaaidek
✔️ Originele kwaliteit met OEM-specificaties
✔️ Slijtvaste rubberconstructie met textielversterking
✔️ Ideaal als vervanging bij slippende of versleten riem
Deze V-snaar is geschikt voor de aandrijving van Stiga Villa 17 HST, Castelgarden, Alpina en Mountfield zitmaaiers met 85 cm mulchmaaidek.
Ready, Ready HST, Villa 12, Villa 14 HST, Villa 16 HST, Villa Comfort, Villa Excellence, Villa Master, Villa President, Villa II Master, Villa II President















