Groot assortiment onderdelen
Voor grasmaaiers, bosmaaiers, kettingzagen en andere buitenmachines
TerugHomeTagsClassic Liberty onderdeelV snaar voor Maaidek Stiga Park 100 Combi 3 - 2 WD, Frontmaaiers, Castelgarden, Mountfield, Riem voor Aandrijving van de Maaimessen, Zitmaaiers, Tuintrekkers, Castel Garden
Art: VK951669
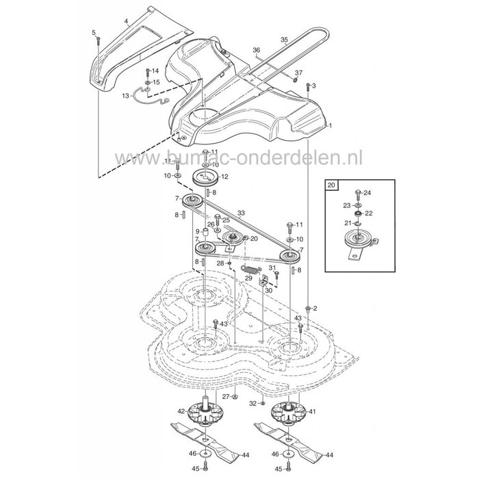
V snaar voor Maaidek Stiga Park 100 Combi 3 - 2 WD, Frontmaaiers, Castelgarden, Mountfield, Riem voor Aandrijving van de Maaimessen, Zitmaaiers, Tuintrekkers, Castel Garden
Betrouwbare levering Meestal binnen 3–5 werkdagen geleverd
Groot assortiment onderdelen Voor grasmaaiers, bosmaaiers, kettingzagen en andere buitenmachines
Persoonlijk advies van specialisten Twijfelt u? Wij helpen u met het juiste onderdeel voor uw machine
Veilig en eenvoudig betalen iDEAL, PayPal, Bancontact, KBC, creditcard en meer
BeschrijvingLees meerLees minder
V snaar voor Aandrijving van het Maaidek, de Maaimessen bij Frontmaaier - Zitmaaier
Lengte: 2860 mm
Breedte: 12,7 mm
Nr 35 op Afbeelding 3
V snaar Maaidek voor Vier Wiel Aangedreven Modellen - 4 WD: 951214
Onder andere Geschikt voor Modellen:
- Stiga: Park 100 Combi 3 - 100C E met 2 Wiel Aandrijving - 2 WD
Ook passend voor Diverse Modellen van Castelgarden en Mountfield
Reviews
0/5
Geen reviews gevonden
Je beoordeling toevoegenHeeft u hulp nodig?

















