Betrouwbare levering -
Binnen 3-5 werkdagen bij u thuis geleverd
Groot assortiment onderdelen -
Voor grasmaaiers, bosmaaiers, kettingzagen en meer buitenmachines
Persoonlijk advies van specialisten -
Twijfelt u? Wij helpen u met het juiste onderdeel voor uw machine
Veilig en eenvoudig betalen -
iDEAL, PayPal, Bankcontact, KBC, creditcard en meer veilige betaalopties
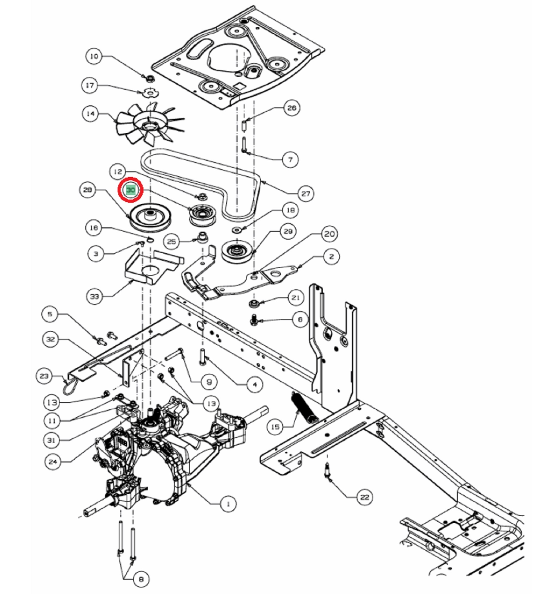
TerugHomeTagsBruder speelgoed werktuigV-Snaar Poelie vlak gelagerd voor MTD, WOLF, YARDMAN, CUBCADET, WHITE Scooter Hydro, Scooter Pro Hydro, Minirider 76 SDHE, Minirider 60 RDHE, Minirider 76 RDHE, CC114HA, LR2NR76, LR2NS76, LR2FR60, LR2MR76, LR2MS76 op Zitmaaiers - Trekkers - Tuintrekkers
Art: MD504575
V-Snaar Poelie vlak gelagerd voor MTD, WOLF, YARDMAN, CUBCADET, WHITE Scooter Hydro, Scooter Pro Hydro, Minirider 76 SDHE, Minirider 60 RDHE, Minirider 76 RDHE, CC114HA, LR2NR76, LR2NS76, LR2FR60, LR2MR76, LR2MS76 op Zitmaaiers - Trekkers - Tuintrekkers
Betrouwbare levering - Binnen 3-5 werkdagen bij u thuis geleverd
Groot assortiment onderdelen - Voor grasmaaiers, bosmaaiers, kettingzagen en meer buitenmachines
Persoonlijk advies van specialisten - Twijfelt u? Wij helpen u met het juiste onderdeel voor uw machine
Veilig en eenvoudig betalen - iDEAL, PayPal, Bankcontact, KBC, creditcard en meer veilige betaalopties
BeschrijvingLees meerLees minder
V-Snaar Poelie voor MTD, WOLF, YARDMAN, CUBCADET, WHITE op Zitmaaiers - Trekkers - Tuintrekkers
Binnendiameter Ø 16,95 mm
Buitendiameter Ø 57 mm
Riemschijf onder andere voor MTD, WOLF, YARDMAN, CUBCADET, WHITE
Scooter Hydro, Scooter Pro Hydro, Minirider 76 SDHE, Minirider 60 RDHE, Minirider 76 RDHE, CC114HA, LR2NR76, LR2NS76, LR2FR60, LR2MR76, LR2MS76 Zitmaaiers
Reviews
0/5
Geen reviews gevonden
Je beoordeling toevoegenHeeft u hulp nodig?















