WP85B002 Werkplaatsaggregaat 35l-9l/min-4kW/400V – Hydraulisch systeem voor werkplaatsdoeleinden met wielen, manometer, retourfilter en elektromotor
Het WP85B002 Werkplaatsaggregaat van Kramp is een krachtig en veelzijdig hydraulisch systeem, ontworpen voor gebruik in werkplaatsen waar mobiliteit en efficiëntie essentieel zijn. Dit hydraulische aggregaat is ideaal voor verschillende toepassingen zoals het testen van cilinders, motoren en ventielen, en het bedienen van werkplaatspersen. Dankzij het robuuste ontwerp en de mobiliteit is het een uitstekende keuze voor werkplaatsomgevingen.
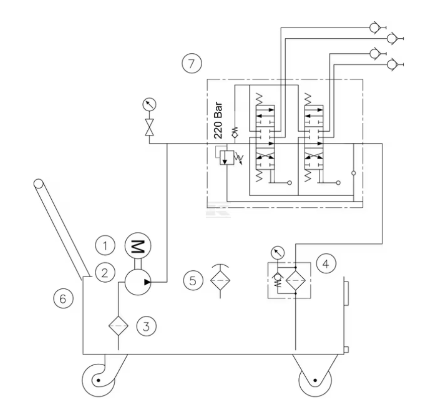
Het aggregaat is voorzien van een 35 liter stalen tank met niveau-indicatie, waardoor het eenvoudig te monitoren is tijdens gebruik. Het nominale debiet van 9 l/min zorgt voor optimale prestaties bij diverse taken, terwijl de 4 kW elektromotor betrouwbare kracht biedt. Het systeem heeft een maximale werkdruk van 220 bar, wat het geschikt maakt voor zware hydraulische taken.
De robuuste constructie omvat een stootvaste stalen tank, manometer voor werkdrukweergave, en wielen voor gemakkelijke verplaatsing. Het is ontworpen zonder de geluids- of uitlaatemissies van een draaiende tractormotor, waardoor het ideaal is voor gebruik in gesloten werkplaatsen.
Het hydraulische aggregaat heeft handbediende ventielen en multifunctionele functies, wat het geschikt maakt voor verschillende toepassingen in werkplaatsen. Dankzij de retourfilter met vervuilingsindicator en het aanzuigfilter in de tank, wordt het systeem optimaal beschermd en behouden voor langdurig gebruik.
Aansluitingen:
✔️ Snelkoppelingen: 2x (voor gemakkelijke verbinding met hydraulische systemen)
✔️ Bedieningskast met noodstop en 5 meter kabel voor flexibiliteit bij bediening
✔️ Vuldop: Grote vuldop met beluchting voor eenvoudig bijvullen van de tank
Pluspunten:
✔️ 35 liter stalen tank met niveau-indicatie voor eenvoudig bijhouden
✔️ Nominaal debiet van 9 l/min voor optimale prestaties
✔️ 4 kW elektromotor voor betrouwbare kracht
✔️ Maximale werkdruk van 220 bar voor zware hydraulische taken
✔️ Mobiel en eenvoudig te verplaatsen dankzij stevige wielen
✔️ Retourfilter met vervuilingsindicator voor bescherming van het systeem
✔️ Aanzuigfilter in de tank voor systematische bescherming
✔️ Bedieningskast met noodstop en 5 meter kabel voor flexibel gebruik
✔️ Geschikt voor diverse hydraulische toepassingen zoals het testen van cilinders en persen
Technische gegevens:
✔️ Tankvolume: 35 l
✔️ Nominaal debiet: 9 l/min
✔️ Motorvermogen: 4 kW
✔️ Maximale continue werkdruk: 220 bar
✔️ Wielen: Zwenkwielen (2x), vaste wielen (2x)
✔️ Snelkoppelingen: 2x
✔️ Vuldop: Grote vuldop met beluchting
✔️ Extra: Handbediende stuurschuif 2-ledig
Compatibele toepassingen:
✔️ Werkplaatsdoeleinden: Het testen van cilinders, motoren, ventielen en persen
✔️ Landbouw-, bouw- en machinewerkplaatsen voor diverse hydraulische taken
✔️ Werkplaatsomgevingen die mobiliteit en robuustheid vereisen















