TerugHomeTagsholder werktuigendragerOlieslang voor DOLMAR, MAKITA, ROBIN PB250.4, BHX250L op Bladblazers PB2504, PB-250.4
Art: T302203
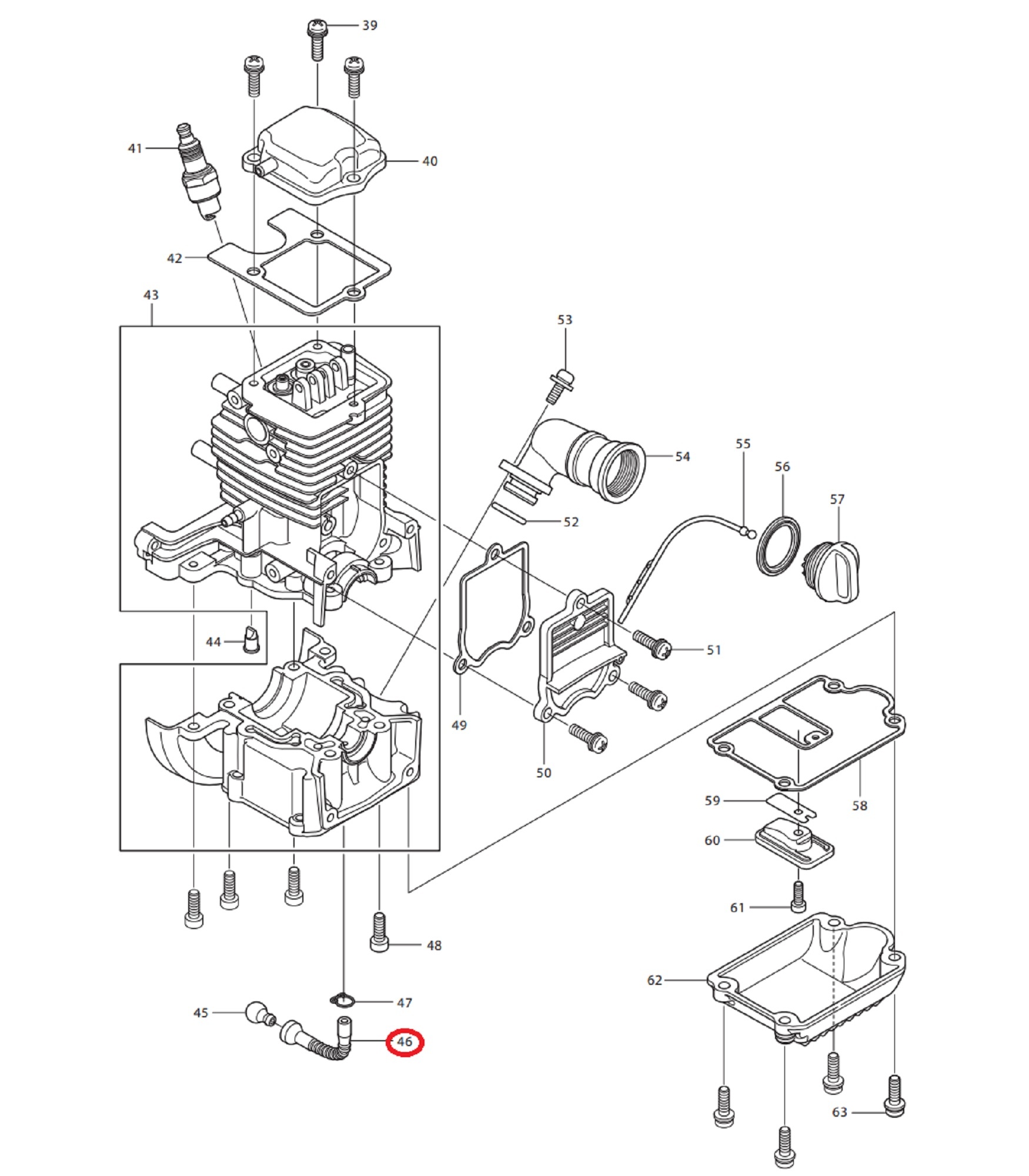
Olieslang voor DOLMAR, MAKITA, ROBIN PB250.4, BHX250L op Bladblazers PB2504, PB-250.4
Betrouwbare levering - Binnen 3-5 werkdagen bij u thuis geleverd
Groot assortiment onderdelen - Voor grasmaaiers, bosmaaiers, kettingzagen en meer buitenmachines
Persoonlijk advies van specialisten - Twijfelt u? Wij helpen u met het juiste onderdeel voor uw machine
Veilig en eenvoudig betalen - iDEAL, PayPal, Bankcontact, KBC, creditcard en meer veilige betaalopties
BeschrijvingLees meerLees minder
Olieslang voor DOLMAR, MAKITA, ROBIN Bladblazers
- Lengte 58 mm
- Nummer 46 op Tekening
Olieslang onder andere voor DOLMAR, MAKITA, ROBIN PB250.4, BHX250L Bladblazer
Reviews
0/5
Geen reviews gevonden
Je beoordeling toevoegenHeeft u hulp nodig?














