Groot assortiment onderdelen
Voor grasmaaiers, bosmaaiers, kettingzagen en andere buitenmachines
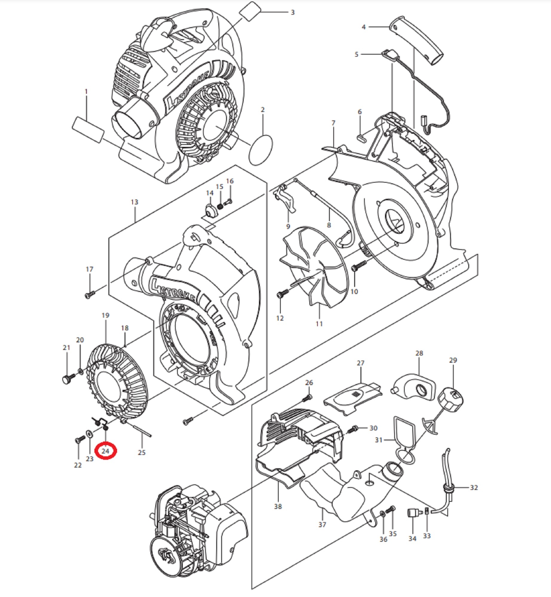
TerugHomeVeer voor Bevestiging Beschermrooster voor DOLMAR, MAKITA, ROBIN PB250.4, BHX250L op Bladblazers PB-250.4, onderdelen
Art: GR341248
Veer voor Bevestiging Beschermrooster voor DOLMAR, MAKITA, ROBIN PB250.4, BHX250L op Bladblazers PB-250.4, onderdelen
Betrouwbare levering Meestal binnen 3–5 werkdagen geleverd
Groot assortiment onderdelen Voor grasmaaiers, bosmaaiers, kettingzagen en andere buitenmachines
Persoonlijk advies van specialisten Twijfelt u? Wij helpen u met het juiste onderdeel voor uw machine
Veilig en eenvoudig betalen iDEAL, PayPal, Bancontact, KBC, creditcard en meer
BeschrijvingLees meerLees minder
Veer voor Bevestiging Beschermrooster voor DOLMAR, MAKITA, ROBIN Bladblazers
- Nummer 24 op Tekening
Veer onder andere voor DOLMAR, MAKITA, ROBIN PB250.4, BHX250L Bladblazer
Reviews
0/5
Geen reviews gevonden
Je beoordeling toevoegenHeeft u hulp nodig?













