Betrouwbare levering -
Binnen 3-5 werkdagen bij u thuis geleverd
Groot assortiment onderdelen -
Voor grasmaaiers, bosmaaiers, kettingzagen en meer buitenmachines
Persoonlijk advies van specialisten -
Twijfelt u? Wij helpen u met het juiste onderdeel voor uw machine
Veilig en eenvoudig betalen -
iDEAL, PayPal, Bankcontact, KBC, creditcard en meer veilige betaalopties
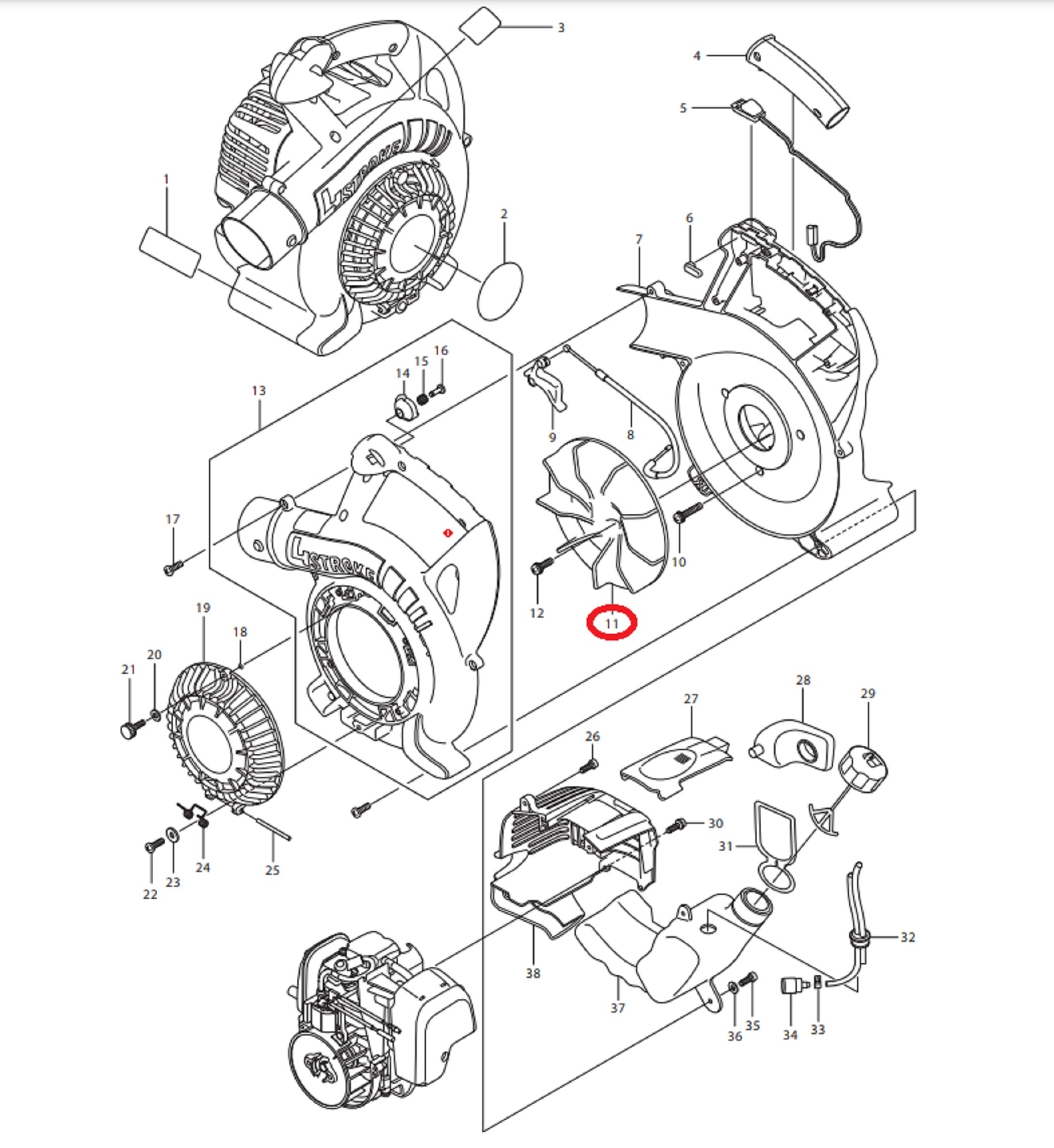
Waaier voor DOLMAR, MAKITA, ROBIN PB250.4, BHX250L op Bladblazers PB-250.4
Betrouwbare levering - Binnen 3-5 werkdagen bij u thuis geleverd
Groot assortiment onderdelen - Voor grasmaaiers, bosmaaiers, kettingzagen en meer buitenmachines
Persoonlijk advies van specialisten - Twijfelt u? Wij helpen u met het juiste onderdeel voor uw machine
Veilig en eenvoudig betalen - iDEAL, PayPal, Bankcontact, KBC, creditcard en meer veilige betaalopties
BeschrijvingLees meerLees minder
Waaier voor DOLMAR, MAKITA, ROBIN Bladblazers
- Nummer 11 op Tekening
Waaier onder andere voor DOLMAR, MAKITA, ROBIN PB250.4, BHX250L Bladblazer
Reviews
0/5
Geen reviews gevonden
Je beoordeling toevoegenHeeft u hulp nodig?













